
Диференціальний автоматичний вимикач Siemens 5SV13166KK16, 1 контакт, 16 A
4 763 ₴
Показати оптові ціни- В наявності
- Оптом і в роздріб
- Код: 2471699525
+380 (68) 693-07-03
повернення товару протягом 14 днів за домовленістю
У компанії підключені електронні платежі. Тепер ви можете купити будь-який товар не покидаючи сайту.
Компактний вимикач FI/LS 1P + N 6 кА тип A 30 мА B16

Характеристики продукту
- Дуже компактний дизайн - економить місце
- Без затримки

Опис
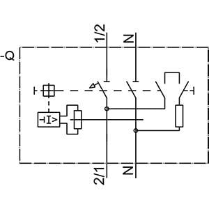
Siemens 5SV13166KK16 – це пристрій захисного відключення (RCD). Він оснащений запатентованими функціями безпеки для захисту від ураження електричним струмом.
Продукція Siemens є важливим компонентом захисних конструкцій SENTRON для електроустановок, оскільки вона запобігає серйозним електричним аваріям шляхом безпечного заземлення струмів короткого замикання. Вона також запобігає пожежам, спричиненим електричним запалюванням, у момент їх виникнення.
У разі прямого та непрямого контакту з струмопровідними частинами захист досягається, головним чином, швидким відключенням від струму.
Системи шин Siemens 5SV вирізняються:
1. Комплексний захист осіб та матеріальних цінностей від ураження електричним струмом.
2. Пропонуємо відповідні моделі для синусоїдальних змінних диференціальних струмів або плавних постійних диференціальних струмів, а також спеціальні версії для всіх вимог.
3. Надійна безпека під час встановлення завдяки стандартному захисту від дотику.
4. Демонтаж з монтажної рейки або шини без інструментів завдяки зручному ручному управлінню.
5. Код матриці даних, розташований на передній панелі пристрою, дозволяє швидко та легко отримати всю інформацію про ПЗВ.
6. Диференціальні автоматичні вимикачі, що відповідають стандарту DIN VDE.
7. Оптимальні технології для вашої безпеки.
Продукція Siemens є важливим компонентом захисних конструкцій SENTRON для електроустановок, оскільки вона запобігає серйозним електричним аваріям шляхом безпечного заземлення струмів короткого замикання. Вона також запобігає пожежам, спричиненим електричним запалюванням, у момент їх виникнення.
У разі прямого та непрямого контакту з струмопровідними частинами захист досягається, головним чином, швидким відключенням від струму.
Системи шин Siemens 5SV вирізняються:
1. Комплексний захист осіб та матеріальних цінностей від ураження електричним струмом.
2. Пропонуємо відповідні моделі для синусоїдальних змінних диференціальних струмів або плавних постійних диференціальних струмів, а також спеціальні версії для всіх вимог.
3. Надійна безпека під час встановлення завдяки стандартному захисту від дотику.
4. Демонтаж з монтажної рейки або шини без інструментів завдяки зручному ручному управлінню.
5. Код матриці даних, розташований на передній панелі пристрою, дозволяє швидко та легко отримати всю інформацію про ПЗВ.
6. Диференціальні автоматичні вимикачі, що відповідають стандарту DIN VDE.
7. Оптимальні технології для вашої безпеки.
Комплект поставки
- Перемикач FI/LS
Коментарі
- УВАГА!
Якщо пристрій не готовий до підключення, підключення та встановлення може виконати лише спеціаліст (наприклад, електрик).

Ви можете знайти товари, що відповідають цьому товару, тут
Характеристики
| Основні | |
|---|---|
| Виробник | Siemens |
| Технічні характеристики | |
| Номінальний струм | 16 А |
| Користувальницькі характеристики | |
| Версія із захистом від помилкових спрацьовувань | істинний |
| Ваги | 0 |
| Вбудована глибина | 70 мм |
| Висота продукту | 90 мм |
| Глибина продукту | 70 мм |
| Категорія перенапруги | 2 |
| Клас обмеження струму | 3 |
| Кількість захищених полюсів | 1 |
| Кількість контактів | 1 |
| Кількість полюсів (всього) | 2 |
| Номінальна вимикаюча здатність Icn згідно з EN 61009-1 | 6 |
| Номінальна вимикаюча здатність EN 61009 | 6 |
| Номінальна вимикальна здатність IEC 60947-2 | 15 кА |
| Номінальна імпульсна напруга Uimp | 4 |
| Номінальна напруга | 230 В |
| Номінальна напруга ізоляції Ui | 253 В |
| Номінальний диференціальний струм | 0,03 А |
| Номінальний струм — округлений | 16 А |
| Номінальний струм короткого замикання | 0,03 А |
| Обмеження інтенсивності | 6 кА |
| Одночасне перемикання нейтрального провідника | істинний |
| Робоча напруга | 230 В |
| Розміри | (Ш x В x Г) 18 x 90 x 70 мм |
| З блокувальним пристроєм | істинний |
| Переріз під'єднуваного провідника багатодротовий | 0,75-16 мм² |
| Переріз під'єднуваного провідника одножильний | 0,75-16 мм² |
| Прихований монтаж | істинний |
| Вміст | 1 шт. |
| Відповідає RoHS | Да |
| Специфікація | вимкнення без затримки |
| Ступінь забруднення | 2 |
| Ступінь захисту IP | IP20 |
| Тип напруги | змінного струму |
| Тип продукту | Диференціальний/автоматичний вимикач |
| Тип струму витоку | A |
| Тип тригера | B |
| Стійкість до імпульсного струму | 1 кА |
| Характеристика випуску | B |
| Характеристика вимкнення | Незатриманий |
| Колір | різнобарвний |
| Ширина в кількості модульних інтервалів | 1 |
| Ширина вироби | 18 мм |
Інформація для замовлення
- Ціна: 4 763 ₴




